Продукти
Вашият стандартен глобус клапан
  • Вашият стандартен глобус клапанВашият стандартен глобус клапан

Вашият стандартен глобус клапан

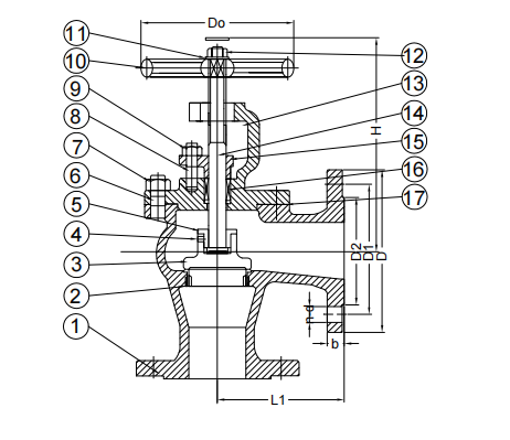
Стандартният клапан на Globe Globe е проектиран и произведен в строго съответствие със стандартите DIN 3356, BS 1873 и EN 13709/EN 12516, а дължината на структурата отговаря на DIN 3202 и EN 558-1. Флайнджният интерфейс (FF/RF/RTJ тип) е стандартен според серията EN 1092-1 и DIN 2543 ~ 2550. Тестовата система реализира спецификации на DIN 3230, а оценките на налягането покриват диапазона от PN16 до PN100.

Структурен материал

Произведена с летяща стомана, пластично желязо, въглеродна стомана, неръждаема стомана и други инженерни материали, изборът на материали се основава на следните основни свойства: отлично налягане/температурно съпротивление; Дълготрайна корозионна устойчивост; Приспособимост към специфични условия на труд


Функционален принцип

Прецизното управление на течността се постига чрез дискове, задвижвани от ствол, а задвижващият механизъм е незадължителен: ръчна работа (стандартно); пневматично задвижване (ISO 5211 интерфейс); електрическо изпълнение (съгласно IEC 60534).


Система за уплътняване

Конфигурацията на уплътняващата двойка определя нивото на изтичане на стандартния глобус на глобус (според EN 12266): Метален твърд уплътнител (висока температура и условия на високо налягане); метални композитни уплътнения PTFE (химическа среда); Метални уплътнения на еластомер (изискване за нулев изтичане)


Ниво на налягане

Стандартен диапазон на налягане: PN10 до PN400 (съответстващ на ASME клас 150 ~ 2500)


Крайна връзка

Flange (EN 1092-1), резба (ISO 7-1/ISO 228-1), заварка задника (ASME

Горещи маркери: Вашият стандартен глобус клапан
Изпратете запитване
Информация за контакт
  • Адрес

    № 838, авеню Убей, окръг Йонджия, град Венжоу, провинция Жеджианг, Китай, Китай

  • Електронна поща

    info@zhongguanvalve.com

За запитвания относно клапана на пеперудите, проверете клапана, точния клапан или ценовата листа, моля, оставете имейла си до нас и ние ще се свържем в рамките на 24 часа.
X
Ние използваме бисквитки, за да ви предложим по-добро сърфиране, да анализираме трафика на сайта и да персонализираме съдържанието. Използвайки този сайт, вие се съгласявате с използването на бисквитки от наша страна. Политика за поверителност
Отхвърляне Приеми